1. Công nghệ Hybrid là gì?
Hybrid là một công nghệ tiên tiến, được nghiên cứu nhằm giải quyết các vấn đề nhức nhối về khí thải và nhiên vật liệu hiện nay. Công nghệ này thiết kế dựa trên sự kết hợp giữa hai động cơ trong cùng một hệ thống. Theo đó, một động cơ đốt trong được khởi động bằng xăng/dầu sẽ kết hợp với một động cơ điện tạo ra lực kéo lớn giúp hệ thống hoạt động mạnh mẽ hơn. Công nghệ Hybrid đang trở thành xu hướng và được áp dụng trong nhiều lĩnh vực trong đó có sản xuất ô tô.

Hybrid là công nghệ kết hợp từ hai nguồn động cơ
Xe Hybrid là xe lai, sử dụng đồng thời cả động cơ xăng và động cơ điện. Điều này cho phép xe tự động chuyển đổi giữa sử dụng năng lượng. Từ đó, giúp chủ sở hữu tiết kiệm nhiên liệu, giảm khí thải ra môi trường và đạt hiệu suất tối đa cho xe.
2. Phân loại động cơ Hybrid
Từ định nghĩa Hybrid là gì? Có thể thấy công nghệ hiện đại này bao gồm cả động cơ đốt trong và động cơ điện với nhiệm vụ tạo ra lực kéo mạnh mẽ cho xe. Hybrid được chia thành 3 loại, mỗi loại có những đặc điểm riêng phù hợp với hoạt động của xe
Công nghệ Hybrid nối tiếp
Trong loại Hybrid này, động cơ điện có chức năng truyền lực chính giúp kích hoạt hệ thống dẫn bánh của xe, làm cho bánh xe chuyển động. Trong hệ thống nối tiếp, động cơ đốt trong tạo ra điện để sạc pin, từ đó cung cấp năng lượng cho động cơ điện. Điều này cho phép động cơ điện hoạt động ở mức hiệu suất tốt nhất trong khi động cơ đốt có thể hoạt động ở tối ưu để tiết kiệm nhiên liệu và giảm thiểu tác động đối với môi trường.
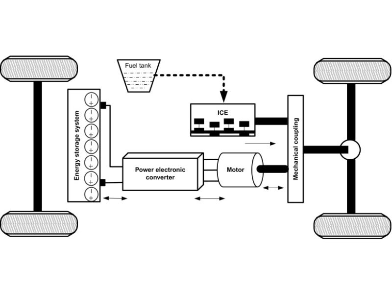
Động cơ Hybrid song song
Đây là loại Hybrid phổ biến, trong đó cả động cơ đốt trong và động cơ điện đều đảm nhận vai trò truyền lực, cung cấp công suất cho bánh xe. Động cơ điện và động cơ xăng có thể luân phiên nhau hoặc đồng thời hoạt động. Điều đó sẽ do hệ thống điều khiển trung tâm phân bổ năng lượng giữa hai động cơ tùy vào từng điều kiện vận hành để đạt hiệu suất tốt nhất.

Cấu trúc của động cơ Hybrid song song
Hybrid kết hợp hay Plug-in Hybrid
Đây là dạng kết hợp của Hybrid nối tiếp và Hybrid song. Điều này cho phép xe chuyển đổi linh hoạt giữa sử dụng động cơ điện, động cơ đốt trong hoặc cả hai động cơ để đạt được hiệu suất tối đa và tiết kiệm nhiên liệu tốt nhất trong mọi điều kiện vận hành.
3. Cơ chế hoạt động của xe Hybrid
Động cơ Hybrid có cơ chế hoạt động khá đơn giản nhưng vẫn phối hợp nhuần nhuyễn giữa hai nguồn năng lượng là động cơ đốt trong và động cơ điện. Về nguyên lý hoạt động, trong trường hợp xe di chuyển ở tốc độ cao, quãng đường lớn thì động cơ xăng sẽ được kích hoạt và sử dụng. Thực tế, trong các hệ thống Hybrid, động cơ xăng có thể hoạt động ở bất kỳ tốc độ nào tùy thuộc vào thiết kế của xe, không chỉ ở tốc độ cao.
Ngược lại, khi di chuyển trên các quãng đường ngắn hay cần tốc độ chậm hoặc trong các tình huống ùn, tắc giờ giao thông động cơ điện sẽ được tận dụng. Việc thay đổi linh hoạt này giúp xe tiết kiệm nhiên liệu và giảm lượng khí thải ra môi trường tối đa.

Động cơ Hybrid có cơ chế hoạt động khá đơn giản
4. Các thành phần chính và tính năng đặc biệt của xe Hybrid
Hiện nay, xu hướng xe Hybrid đang ngày càng phát triển và trở thành một phần quan trọng trong ngành công nghiệp ô tô. Với các thành phần và tính năng đặc biệt, xe Hybrid giúp tối ưu hóa tiêu thụ nhiên liệu và mang lại trải nghiệm lái xe tốt hơn cho người dùng.
4.1. Các thành phần chính
Cấu trúc của xe Hybrid có thể khác nhau tùy vào từng dòng xe, tuy nhiên, một xe Hybrid thường bao gồm các thành phần chính sau:
- Pin lưu trữ năng lượng: động cơ Hybrid thường sử dụng loại pin lithium-ion hoặc nickel-metal hydride. Đây là thành phần lưu trữ năng lượng điện để cung cấp cho động cơ điện khi cần thiết.
- Động cơ điện: động cơ này sẽ sử dụng năng lượng từ pin dự trữ để cung cấp lực kéo cho xe khi cần.
- Động cơ đốt trong: đây là động cơ sử dụng nhiên liệu thường là xăng hoặc dầu diesel để sản xuất năng lượng, cung cấp sức mạnh cho xe.
- Hệ thống điều khiển trung tâm: đây là bộ phận kiểm soát các công việc chuyển đổi giữa động cơ xăng và động cơ điện dựa trên điều kiện lái và yêu cầu của người lái.

Các thành phần chính của công nghệ lai Hybrid
4.2. Các tính năng đặc biệt
Xe Hybrid được đánh giá cao bởi các tính năng đặc biệt như:
Tiết kiệm nhiên liệu với chế độ lái tự động tùy chỉnh: xe Hybrid có khả năng tự động điều chỉnh việc sử dụng nguồn năng lượng phù hợp với điều kiện lái xe và giảm thiểu nhiên liệu tối đa.
Tái tạo và phục hồi năng lượng: xe Hybrid có thể tái tạo năng lượng khi phanh. Đây là một tính năng độc đáo của động cơ Hybrid, cho phép thu hồi một phần năng lượng và lưu trữ lại vào pin thay vì mất đi khi sử dụng phanh. Điều này giúp giảm sự tiêu hao năng lượng, gây lãng phí.
Chế độ lái chỉ sử dụng điện: chế độ này cho phép xe di chuyển mà chỉ sử dụng động cơ điện. Điều này giúp giảm lượng khí thải từ động cơ khí đốt gây ô nhiễm không khí.
5. Ưu nhược điểm của dòng xe Hybrid
Sở hữu nhiều ưu điểm vượt trội, Xe Hybrid đang dần trở thành xu hướng tương lai của ngành công nghiệp ô tô. Tuy nhiên, dòng xe sử dụng động cơ hiện đại này vẫn tồn tại một số hạn chế nên chưa tiếp cận rộng rãi đối tượng người tiêu dùng.
Những điểm ưu việt của xe Hybrid
- Tiết kiệm nhiên liệu: xe Hybrid sử dụng cả hệ thống động cơ đốt trong và động cơ điện này giúp giảm chi phí nhiên liệu và khí thải Carbon. Vậy nên xe Hybrid tiết kiệm nhiên liệu hơn so với xe chỉ sử dụng động cơ đốt trong thông thường.
- Giảm lượng khí thải ra môi trường: do tiêu thụ nhiên liệu thấp, động cơ hybrid giảm lượng khí thải gây hại so với xe chỉ sử dụng động cơ đốt trong. Điều này đóng góp vào việc giảm ô nhiễm không khí và giảm ảnh hưởng đến biến đổi khí hậu.
- Hiệu suất cao: hệ thống kép nguồn năng lượng của xe Hybrid cho phép tăng hiệu suất vận hành và cung cấp công suất tốt. Điều này mang lại trải nghiệm lái xe ấn tượng .
- Tính linh hoạt: Xe Hybrid có khả năng chuyển đổi giữa chế độ lái tiết kiệm nhiên liệu và chế độ lái hoàn toàn bằng điện. Người lái có thể tận dụng chế độ lái điện trong các điều kiện đô thị tắc đường hoặc khi di chuyển ở tốc độ thấp, giúp tiết kiệm năng lượng và giảm tiếng ồn.

Công nghệ Hybrid tiết kiệm nhiên liệu hơn so với động cơ thông thường
Nhược điểm của dòng xe Hybrid
- Giá thành cao: xe Hybrid thường có giá cao hơn so với các xe chỉ sử dụng động cơ đốt trong truyền thống. Nguyên nhân là do công nghệ Hybrid phức tạp bao gồm các thành phần điện tử cao cấp.
- Phí sửa chữa tốn kém: Hybrid là động cơ được áp dụng các công nghệ hiện đại nên nếu bị hư hỏng thì việc sửa chữa tất nhiên là rất tốn kém.Chi phí sửa chữa và bảo dưỡng có phần cao hơn xe thông thường.
- Trọng lượng lớn: do cần phải trang bị thêm pin và hệ thống động cơ điện nên trọng lượng của xe Hybrid thường nặng hơn so với các loại xe thông thường, làm giảm tốc độ và hiệu suất của xe.
- Dung lượng và tuổi thọ pin: xe Hybrid sử dụng pin để lưu trữ năng lượng điện. Dung lượng pin có thể giới hạn và tuổi thọ pin giảm đi sau một thời gian sử dụng, tác động đến hiệu suất và chi phí bảo trì.
Với những ưu điểm nổi bật, Động cơ Hybrid được trang bị trên nhiều trên các dòng xe hơi hiện đại ngày nay. Công nghệ Hybrid không những đem đến những trải nghiệm ấn tượng cho khách hàng mà còn ảnh hưởng tích cực đối với môi trường tự nhiên.